Overview
Product Details
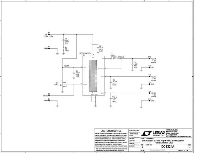
DC1324A: Demo Board for LTC3672B-2 - Monolithic Fixed-Output 400mA Buck Regulator with Dual 150mA LDOs in 2mm × 2mm DFN
Applicable Parts
Documentation & Resources
- 
                                                                
                                                                    
                                                                                                                                            DC1324A - Schematic9/24/2009PDF35K
 
- 
                                                                
                                                                    
                                                                                                                                            DC1324A - Demo Manual9/24/2009PDF298K
 
- 
                                                                
                                                                    
                                                                                                                                            DC1324A - Design File9/24/2009ZIP556K
 
                                                