Overview
Product Details
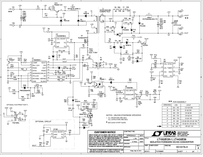
Demonstration circuit 1317A-H is isolated input to high current output 1/8th Brick footprint converter featuring the LT1952 switching controller with Active Reset circuit. The Active Reset circuit can improve the efficiency in wide input voltage applications. Also, the Active Reset allows the implementation of self-driven synchronous secondary rectifiers in some applications. The DC1317A-H converts isolated 9V to 36V input to 48V output and provides 1.5A of output current.
Applicable Parts
Documentation & Resources
-
DC1317A-H - Schematic5/18/2012PDF66K
-
DC1317A-H - Demo Manual5/18/2012PDF613K
-
DC1317A-H - Design Files5/18/2012ZIP1M
