Overview
Product Details
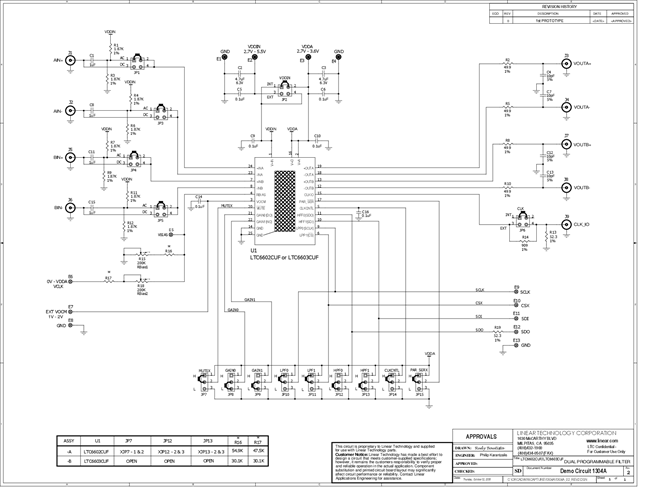
DC1304A-A: Demo Board for the LTC6602 Dual Matched, High Frequency Bandpass/Lowpass Filters.
Applicable Parts
Documentation & Resources
-
DC1304A - Schematic3/7/2011PDF100K
-
DC1304A - Demo Manual9/24/2009PDF1M
-
DC1304A - Design File2/9/2010ZIP2M
