Overview
Product Details
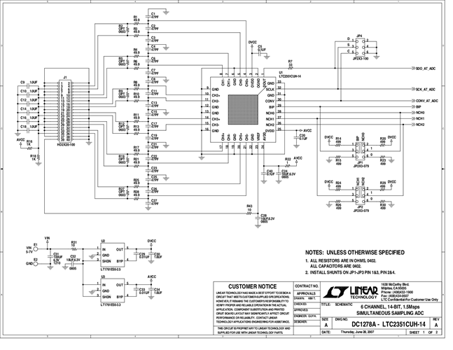
DC1278A: Demo Board for LTC2351-14 - 6 Channel, 14-Bit, 1.5Msps Simultaneous Sampling ADC with Shutdown
Applicable Parts
Documentation & Resources
-
DC1278A - Schematic9/24/2009PDF72K
-
DC1278A - Demo Manual9/24/2009PDF2M
-
DC1278A - Design File9/24/2009ZIP1M
