Overview
Product Details
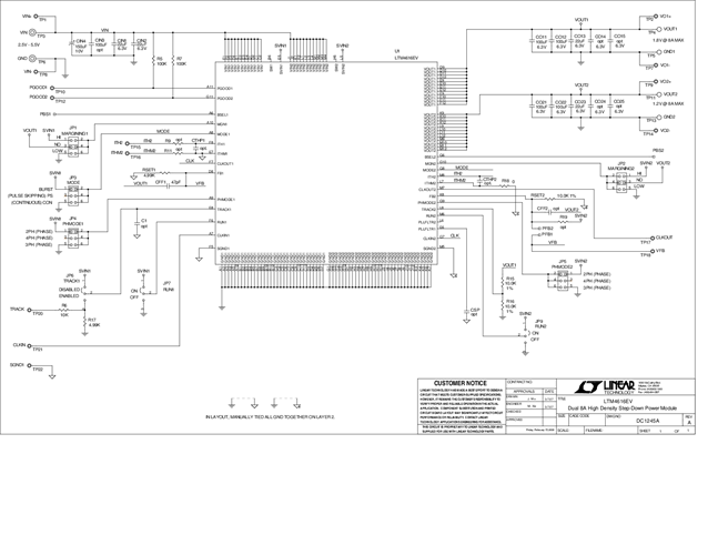
Demonstration circuit 1245A features the LTM4616, the high efficiency, high density, dual output switch mode power module. The rated load current is 8A for each channel, while derating is necessary for certain VIN, VOUT, and thermal conditions. By applying a clock signal to the CLKIN pin, the module’s switching frequency may be synchronized from 0.75MHz to 2.25MHz. The same clock frequency is available at the CLKOUT pin with the phase relationship between CLKIN and CLKOUT determined by the PHMODE pin. This feature can be used not only to reduce undesirable frequency harmonics but also to parallel the two channels of LTM4616 or even multiple LTM4616s and LTM4608s to provide higher output currents.
Applicable Parts
Documentation & Resources
-
DC1245A - Schematic5/4/2012PDF42K
-
DC1245A - Demo Manual9/24/2013PDF537K
-
DC1245A - Design Files6/8/2011ZIP1M
