Overview
Product Details
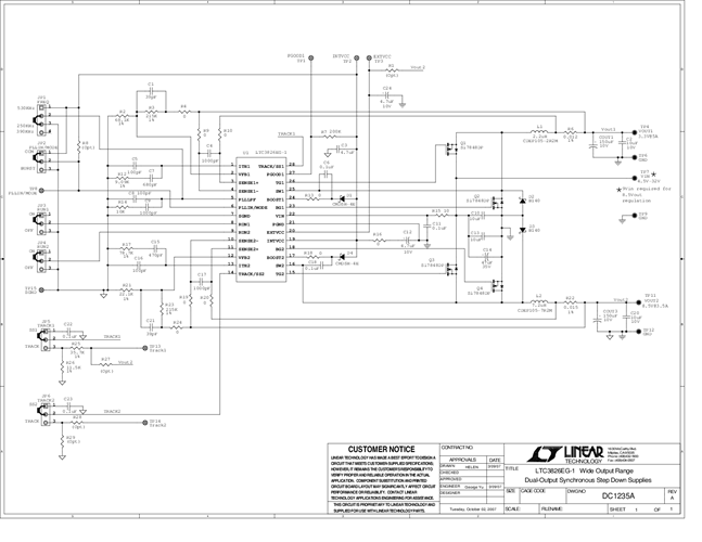
DC1235A: Demo Board for the LTC3826 30µA IQ, Dual, 2-Phase Synchronous Step-Down Controller.
Applicable Parts
Documentation & Resources
-
DC1235A - Schematic9/24/2009PDF48K
-
DC1235A - Demo Manual9/24/2009PDF366K
-
DC1235A - Design File9/24/2009ZIP866K
