Overview
Product Details
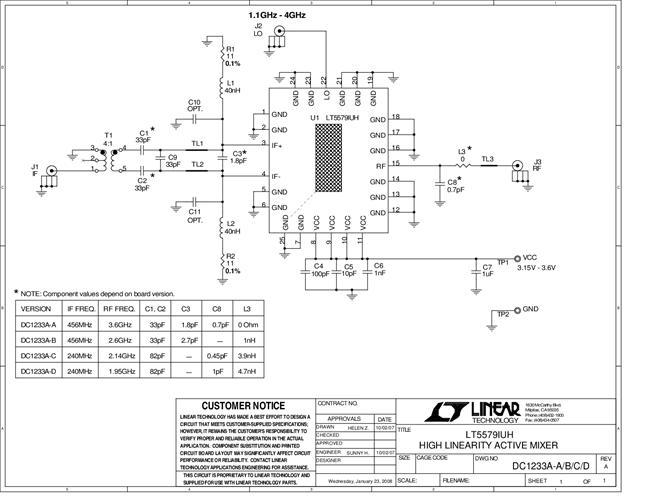
DC1233A-A: Demo Board for the LT5579 1.5GHz to 3.8GHz High Linearity Upconverting Mixer
Applicable Parts
Documentation & Resources
- 
                                                                
                                                                    
                                                                                                                                            DC1233A - Schematic9/24/2009PDF29K
- 
                                                                
                                                                    
                                                                                                                                            DC1233A - Demo Manual9/24/2009PDF229K
- 
                                                                
                                                                    
                                                                                                                                            DC1233A - Design File9/24/2009ZIP712K
 
                             
                         
                         
                                                