Overview
Product Details
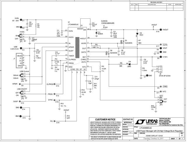
Demostration circuit DC1210A is a dual (one high voltage, one low voltage) input, USB PowerPath controller with a 36V (60V transients) DC/DC converter plus a Li-Ion battery charger featuring the LTC4090. The 2A buck has an input voltage range of 6V to 36V and it provides an output that is 300mV above the battery voltage. The buck output goes to a low dropout 1.5A CC/CV linear lithium-ion battery charger configured for 700mA output and a 4.2V charge voltage.
Applicable Parts
Documentation & Resources
-
DC1210A - Schematic9/24/2009PDF56K
-
DC1210A - Demo Manual9/24/2009PDF467K
-
DC1210A - Design File9/24/2009ZIP916K
