Overview
Product Details
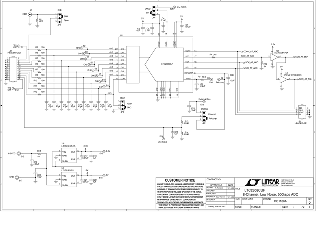
DC1186A: Demo Board for the LTC2308 Low Noise, 500ksps, 8-Channel, 12-Bit ADC
Markets and Technologies
Applicable Parts
Documentation & Resources
-
DC1186A - Schematic9/24/2009PDF71K
-
DC1186A - Demo Manual5/16/2013PDF830K
-
DC1186A - Design File9/24/2009ZIP1M




