Overview
Product Details
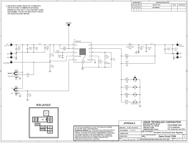
DC1159A: Demo Board for LTC3565 1.25A, 4MHz, Synchronous Step-Down DC/DC Converter
Applicable Parts
Documentation & Resources
- 
                                                                
                                                                    
                                                                                                                                            DC1159A - Schematic9/24/2009PDF85K
- 
                                                                
                                                                    
                                                                                                                                            DC1159A - Demo Manual9/24/2009PDF317K
- 
                                                                
                                                                    
                                                                                                                                            DC1159A - Design File9/24/2009ZIP1M
 
                             
                         
                         
                                                