Overview
Product Details
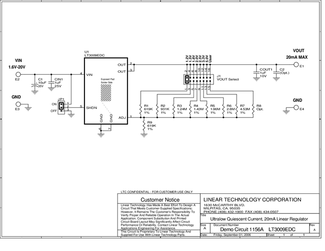
Demonstration circuit 1156A is an ultralow quiescent current and low dropout voltage linear regulator featuring the 20mA output current LT3009 in the which comes in the 2mm × 2mm DFN package. The DC1156A has an input voltage range from 1.6V to 20V and has jumper-selectable output voltages of 1.2V, 1.5V, 1.8V, 2.0V, 2.5V, 3.3V, 5V or a user-defined value.
With the 3µA quiescent current of the LT3009, the DC1156A is ideal for supplying power to low current battery-powered systems, keep-alive power supply and remote monitoring utility meters and hotel door locks.
Documentation & Resources
- 
                                                                
                                                                    
                                                                                                                                            DC1156A - Schematic9/24/2009PDF23K
- 
                                                                
                                                                    
                                                                                                                                            DC1156A - Demo Manual9/24/2009PDF348K
- 
                                                                
                                                                    
                                                                                                                                            DC1156A - Design File9/24/2009ZIP417K
 
                             
                         
                         
                                                