Overview
Product Details
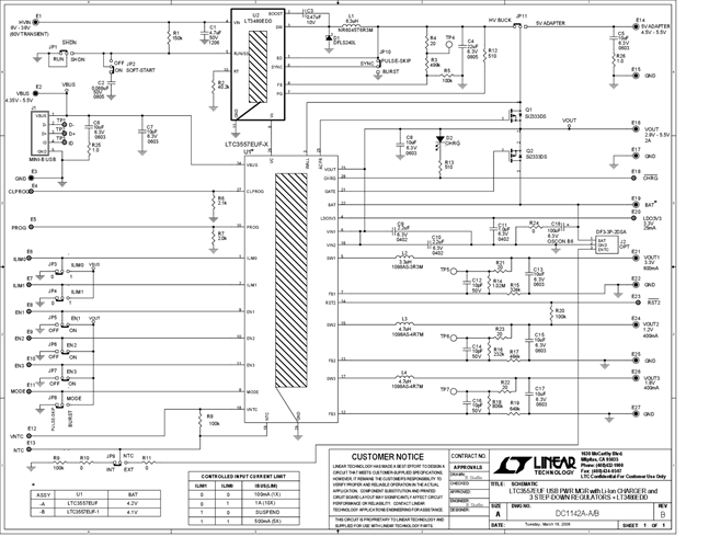
DC1142A-A: Demo Board for LTC3557/LTC3557-1 USB Power Manager with Li-Ion Charger and Three Step-Down Regulators
Applicable Parts
Documentation & Resources
-
DC1142A - Schematic9/24/2009PDF159K
-
DC1142A - Demo Manual9/24/2009PDF598K
-
DC1142A - Design File9/24/2009ZIP1M
