Overview
Product Details
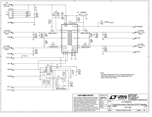
Demonstration circuit 1123 is a I2C-programmable Quad Synchronous Step-Down DC/DC Regulator featuring the LTC3562. The demo board operates with an input voltage range of 2.85V to 5.5V. The LTC3562 features two 600mA regulators and two 400mA regulators. Two regulators (Type A) are adjusted by programming their feedback voltages between 425mV and 800mV in 25mV. The other two regulators are adjusted by programming the output voltage between 600mV and 3.775V in 25mV steps (Type B). All four regulators operate independently and can be put into pulse skip, LDO, Burst Mode operation or forced Burst Mode operation through I2C control.
Applicable Parts
Documentation & Resources
-
DC1123A - Schematic9/24/2009PDF97K
-
DC1123A - Demo Manual9/24/2009PDF853K
-
DC1123A - Design File9/24/2009ZIP816K
