Overview
Product Details
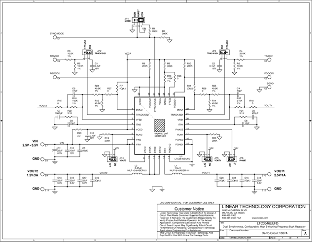
DC1087A: Demo Board for LTC3546 Dual Synchronous, 3A/1A or 2A/2A Configurable Step-Down DC/DC Regulator.
Applicable Parts
Documentation & Resources
-
DC1087A - Schematic9/24/2009PDF31K
-
DC1087A - Demo Manual9/24/2009PDF2M
-
DC1087A - Design File9/24/2009ZIP2M
