Overview
Product Details
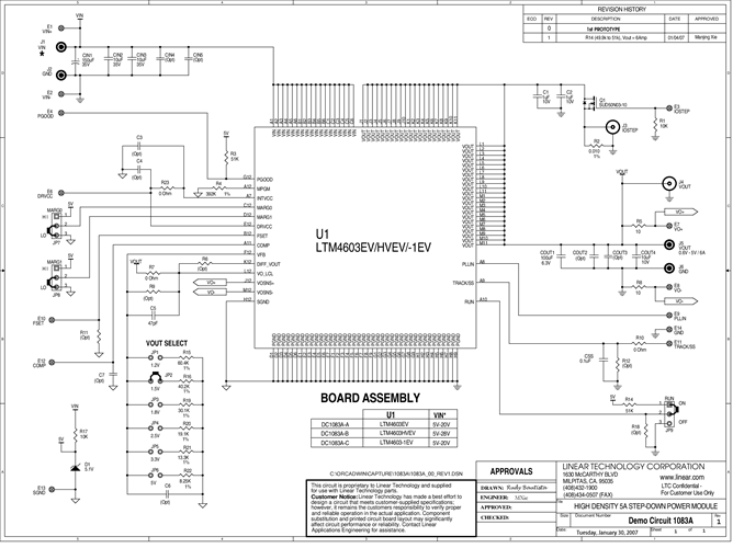
Demonstration circuit DC1083A-A features the LTM4603, the high efficiency, high density step-down μModule® regulator. The input voltage range is from 4.5V to 20V. The output voltage is jumper programmable from 0.6V to 5V. The rated load current is 6A, but derating is necessary for certain VIN, VOUT, and thermal conditions. The LTM4603 can be synchronized to an external clock signal by applying the clock to the PLLIN pin.
Applicable Parts
Documentation & Resources
-
DC1083A-A - Schematic6/26/2014PDF90K
-
DC1083A-A Demo Manual8/30/2011PDF250K
-
DC1083A-A - Design File6/15/2010ZIP1M
