Overview
Product Details
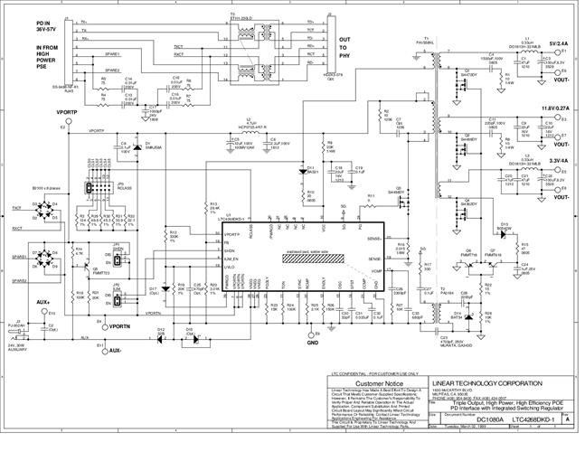
DC1080A: Demo Board for the LTC4268-1 High Power PD with Synchronous No Opto Flyback Controller.
Applicable Parts
Documentation & Resources
-
DC1080A - Schematic9/24/2009PDF47K
-
DC1080A - Demo Manual9/24/2009PDF676K
-
DC1080A - Design File9/24/2009ZIP2M
