Overview
Product Details
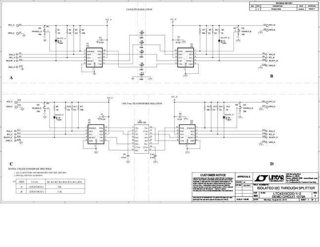
DC1079A-B: Demo Board for the LTC4310 Hot-Swappable I2C Isolators.
Applicable Parts
Documentation & Resources
- 
                                                                
                                                                    
                                                                                                                                            DC1079A - Schematic2/15/2011PDF59K
- 
                                                                
                                                                    
                                                                                                                                            DC1079A - Demo Manual2/15/2011PDF888K
- 
                                                                
                                                                    
                                                                                                                                            DC1079A - Design Files2/15/2011ZIP2M
 
                             
                         
                         
                                                