Overview
Product Details
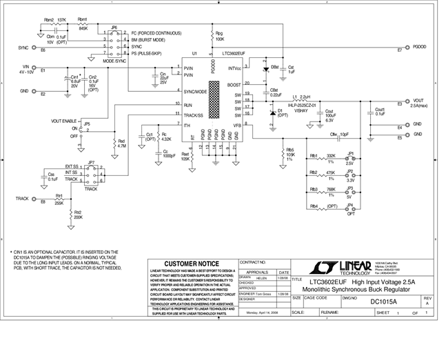
DC1015A - Demo Board for: LTC3602 - 2.5A, 10V, Monolithic Synchronous Step-Down Regulator
Applicable Parts
Documentation & Resources
-
DC1015A - Schematic9/24/2009PDF35K
-
DC1015A - Demo Manual9/24/2009PDF596K
-
DC1015A - Design File9/24/2009ZIP577K
