Overview
Product Details
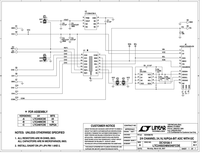
DC1010A-C: Demo Board for the LTC2487 16-Bit 2-/4-Channel ΔΣ ADC with PGA, Easy Drive and I2C Interface.
Markets and Technologies
Applicable Parts
Documentation & Resources
-
DC1010A - Schematic9/24/2009PDF29K
-
DC1010A - Demo Manual9/24/2009PDF620K
-
DC1010A - Design File9/24/2009ZIP655K




