Overview
Product Details
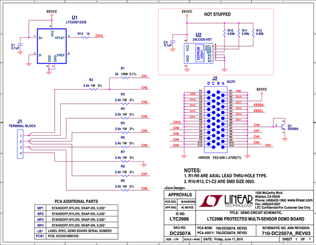
Demonstration circuit DC2507A is a resistive protection network designed to interface the LTC2986 demonstration boards (DC2508 for LTC2986 or DC2618 for LTC2986-1). The LTC2986 is a pin and software compatible 10-channel version of the 20-channel LTC2983. The LTC2986 includes several new modes enabling external protection/ filtering resistors for 2-/3-/4-wire RTDs, thermistors, and thermocouples. The DC2507A includes a universal input 4-input terminal block, front end protection/filtering resistors, and a interface for connecting to the DC2508/DC2618 demonstration circuit.
Documentation & Resources
-
DC2507A - Schematic11/9/2016PDF46K
-
DC2507A - Demo Manual11/9/2016PDF1M
-
DC2507A - Design Files11/9/2016ZIP736K
