Overview
Product Details
DC1281A-A: Demo Board for LTC2209 16-Bit, 160Msps ADC
Applicable Parts
Documentation & Resources
-
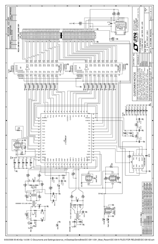
DC1281A - Schematic3/1/2011PDF578K
-
DC1281A - Demo Manual4/3/2012PDF1M
-
DC1281A - Design File3/1/2011ZIP2M
