MAX9952

Obsolete

Dual Per-Pin Parametric Measurement Units

Viewing:

Overview

  • Force Voltage/Measure Current (FVMI)
  • Force Current/Measure Voltage (FIMV)
  • Force Voltage/Measure Voltage (FVMV)
  • Force Current/Measure Current (FIMI)
  • Force Nothing/Measure Voltage (FNMV)
  • Force Nothing/Measure Current (FNMI, Range E Only)
  • Termination/Measure Current
  • Termination/Measure Voltage
  • Five Programmable Current Ranges
    • ±2µA
    • ±20µA
    • ±200µA
    • ±2mA
    • ±64mA
  • -2V to +7V Through -7V to +13V Input-Voltage Range
  • Force-Current/Measure-Current Adjustable-Voltage Offset (IOS)
  • Programmable Voltage Clamps at Force Output
  • Low-Leakage, High-Impedance Measure, and Force States
  • 3-Wire Serial Interface
  • Low 6mA (max) Quiescent Current per PMU

The MAX9951/MAX9952 dual parametric measurement units (PMUs) feature a small package size, wide force and measurement range, and high accuracy, making the devices ideal for automatic test equipment (ATE) and other instrumentation that requires a PMU per pin or per site.

The MAX9951/MAX9952 force or measure voltages in the -2V to +7V through -7V to +13V ranges, dependent upon the supply voltage (VCC and VEE). The devices handle supply voltages of up to +30V (VCC to VEE) and a 20V device-under-test (DUT) voltage swing at full current. The MAX9951/MAX9952 also force or measure currents up to ±64mA with a lowest full-scale range of ±2µA. Integrated support circuitry facilitates use of an external buffer amplifier for current ranges greater than ±64mA.

A voltage proportional to the measured output voltage or current is provided at the MSR_ output. Integrated comparators, with externally set voltage thresholds, provide detection for both voltage and current levels. The MSR_ and comparator outputs can be placed in a high-impedance state. Separate FORCE and SENSE connections are short-circuit protected for voltages from (VEE - 0.3V) to (VCC + 0.3V). The FORCE output also features a low-leakage, high-impedance state.

Integrated voltage clamps limit the force output to levels set externally. The force-current or the measure-current voltage can be offset -0.2V to +4.4V (IOS). This feature allows for the centering of the control or measured signal within the external DAC or ADC range.

The MAX9951D/MAX9952D feature an integrated 10kΩ force-sense resistor between FORCE_ and SENSE_. The MAX9951F/MAX9952F have no internal force-sense resistor. These devices are available in a 64-pin, 10mm x 10mm, 0.5mm pitch TQFP package with an exposed 8mm x 8mm die pad on the top (MAX9951) or the bottom (MAX9952) of the package for efficient heat removal. The exposed pad is internally connected to VEE. The MAX9951/MAX9952 are specified over the commercial 0°C to +70°C temperature range.

Applications

  • Memory Testers
  • Structural Testers
  • System-on-a-Chip Testers
  • VLSI Testers

MAX9952
Dual Per-Pin Parametric Measurement Units
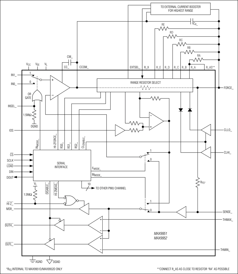
MAX9951, MAX9952: Functional Diagram
Add to myAnalog

Add product to the Products section of myAnalog (to receive notifications), to an existing project or to a new project.

Create New Project
Ask a Question

Documentation

Learn More
Add to myAnalog

Add media to the Resources section of myAnalog, to an existing project or to a new project.

Create New Project

Hardware Ecosystem

Parts Product Life Cycle Description
Automatic Test Equipment (ATE) 1
MAX9949 Obsolete Dual Per-Pin Parametric Measurement Units
Modal heading
Add to myAnalog

Add product to the Products section of myAnalog (to receive notifications), to an existing project or to a new project.

Create New Project

Latest Discussions

No discussions on MAX9952 yet. Have something to say?

Start a Discussion on EngineerZone®

Recently Viewed