MAX9423

Quad Differential LVECL-to-LVPECL Translators

Viewing:

Overview

  • >500mV Differential Output at 3.0GHz Clock
  • 336ps (typ) Propagation Delay in Asynchronous Mode
  • 17ps (typ) Channel-to-Channel Skew
  • Integrated 50Ω Outputs (MAX9421/MAX9423)
  • Integrated 100Ω Inputs (MAX9422/MAX9423)
  • Synchronous/Asynchronous Operation
  • The MAX9420-MAX9423 are extremely fast, low-skew quad LVECL-to-LVPECL translators designed for high-speed signal and clock driver applications. The devices feature ultra-low propagation delay of 336ps and channel-to-channel skew of 17ps.

    The four channels can be operated synchronously with an external clock, or in asynchronous mode, determined by the state of the SEL input. An enable input provides the ability to force all the outputs to a differential low state.

    These devices operate with a negative supply voltage of -2.0V to -3.6V, compatible with LVECL input signals. The positive supply range is 2.375V to 3.6V for differential LVPECL output signals.

    A variety of input and output terminations are offered for maximum design flexibility. The MAX9420 has open inputs and open-emitter outputs. The MAX9421 has open inputs and 50Ω series outputs. The MAX9422 has 100Ω differential input impedance and open-emitter outputs. The MAX9423 has 100Ω differential input impedance and 50Ω series outputs.

    The MAX9420-MAX9423 are specified for operation from -40°C to +85°C, and are offered in space-saving 32-pin 5mm x 5mm TQFP and 32-lead 5mm x 5mm QFN packages.

    Applications

    • Automated Test Equipment (ATE)
    • Central Office Backplane Clock Distribution
    • Data and Clock Driver and Buffer
    • DSLAM Backplane
    • Wireless Base Stations

    MAX9423
    Quad Differential LVECL-to-LVPECL Translators
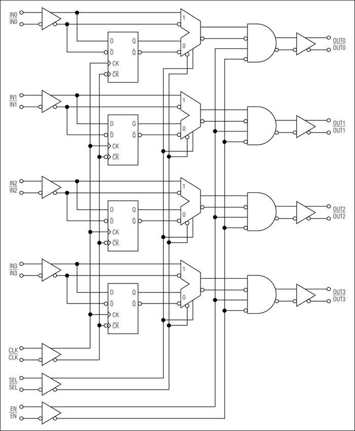
    MAX9420, MAX9421, MAX9422, MAX9423: Functional Diagram
    Add to myAnalog

    Add product to the Products section of myAnalog (to receive notifications), to an existing project or to a new project.

    Create New Project
    Ask a Question

    Documentation

    Learn More
    Add to myAnalog

    Add media to the Resources section of myAnalog, to an existing project or to a new project.

    Create New Project

    Latest Discussions

    No discussions on MAX9423 yet. Have something to say?

    Start a Discussion on EngineerZone®

    Recently Viewed