MAX9401

Quad ECL/PECL Differential Buffers/Receivers

Viewing:

Overview

  • Differential Double-Swing ECL/PECL Outputs
  • Input Compatible with LVECL/LVPECL
  • Guaranteed 900mV Differential Output at 3.0GHz Clock Rate
  • 365ps Propagation Delay in Asynchronous Mode
  • 10ps Channel-to-Channel Skew in Synchronous Mode
  • Integrated 100Ω Input Terminations (MAX9404)
  • Compatible +3.3V/+5.0V Nominal Supplies
  • Selectable Synchronous/Asynchronous Operation
  • The MAX9401/MAX9404 are extremely fast and low-skew quad ECL/PECL differential buffers/receivers for data and clock signals. The four channels can be operated synchronously with an external clock, or in asynchronous mode, determined by the state of the SEL input. An enable input provides the ability to force all the outputs to a differential low state.

    The MAX9401 has high-impedance (open) input and the MAX9404 has an integrated 100Ω differential input termination, which reduces external component count. Both devices have double amplitude swing open emitter outputs suitable for driving long cables. The MAX9401/MAX9404 operate over a VCC - VEE = +3.0V to +5.5V supply range, and are specified for operation from -40°C to +85°C. These devices are offered in space-saving 32-pin 5mm x 5mm QFN exposed-paddle (EP) and TQFP packages.

    Applications

    • Automated Test Equipment (ATE)
    • Central Office Backplane Clock Distribution
    • Data and Clock Driver and Buffer
    • DSLAM Backplane
    • Wireless Base Stations

    MAX9401
    Quad ECL/PECL Differential Buffers/Receivers
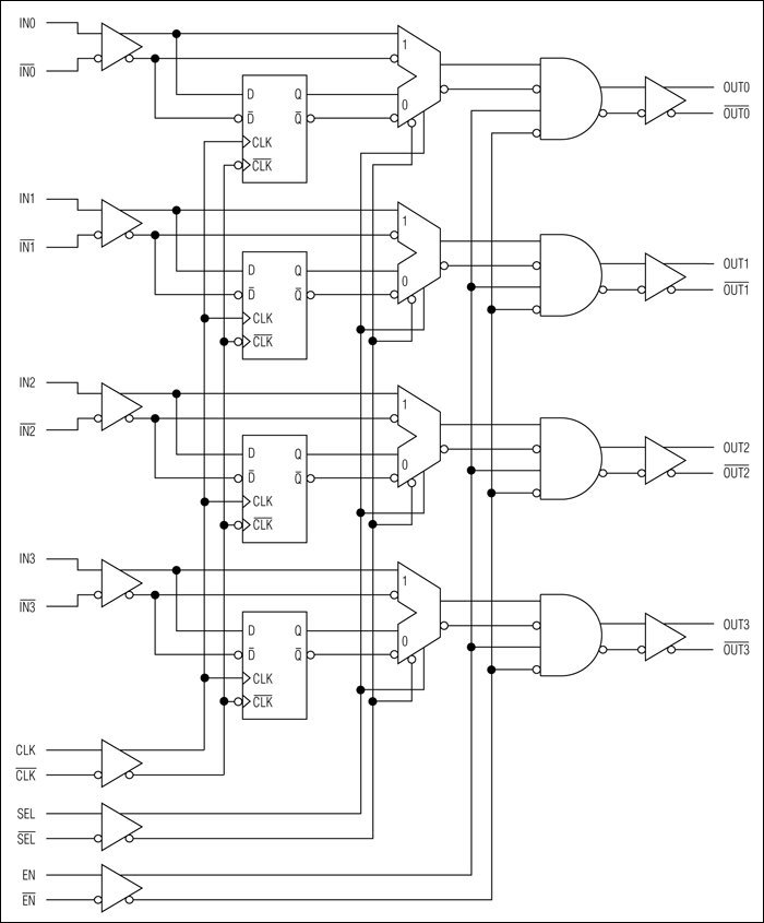
    MAX9401, MAX9404: Functional Diagram
    Add to myAnalog

    Add product to the Products section of myAnalog (to receive notifications), to an existing project or to a new project.

    Create New Project
    Ask a Question

    Documentation

    Learn More
    Add to myAnalog

    Add media to the Resources section of myAnalog, to an existing project or to a new project.

    Create New Project

    Latest Discussions

    No discussions on MAX9401 yet. Have something to say?

    Start a Discussion on EngineerZone®

    Recently Viewed