MAX9312

PRODUCTION

Dual 1:5 Differential LVPECL/LVECL/HSTL Clock and Data Drivers

Viewing:

Overview

  • +2.25V to +3.8V Differential HSTL/LVPECL Operation
  • -2.25V to -3.8V Differential LVECL Operation
  • 30ps (typ) Part-to-Part Skew
  • 12ps (typ) Output-to-Output Skew
  • 312ps (typ) Propagation Delay
  • ≥ 300mV Differential Output at 3GHz
  • On-Chip Reference for Single-Ended Inputs
  • Output Low with Open Input
  • Pin Compatible with MC100LVEP210 (MAX9312) and MC100EP210 (MAX9314)
  • Offered in Tiny QFN Package (70% Smaller Footprint than LQFP)

The MAX9312/MAX9314 are low skew, dual 1-to-5 differential drivers designed for clock and data distribution. These devices accept two inputs. Each input is reproduced at five differential outputs. The differential inputs can be adapted to accept single-ended inputs by connecting the on-chip VBB supply to one input as a reference voltage.

The MAX9312/MAX9314 feature low part-to-part skew (30ps) and output-to-output skew (12ps), making them ideal for clock and data distribution across a backplane or a board. For interfacing to differential HSTL and LVPECL signals, these devices operate over a +2.25V to +3.8V supply range, allowing high-performance clock or data distribution in systems with a nominal +2.5V or +3.3V supply. For differential LVECL operation, these devices operate from a -2.25V to -3.8V supply.

The MAX9312 features an on-chip VBB reference output of 1.425V below the positive supply voltage. The MAX9314 offers an on-chip VBB reference output of 1.32V below the positive supply voltage.

Applications

  • Low-Jitter Data Repeater
  • Precision Clock Distribution

MAX9312
Dual 1:5 Differential LVPECL/LVECL/HSTL Clock and Data Drivers
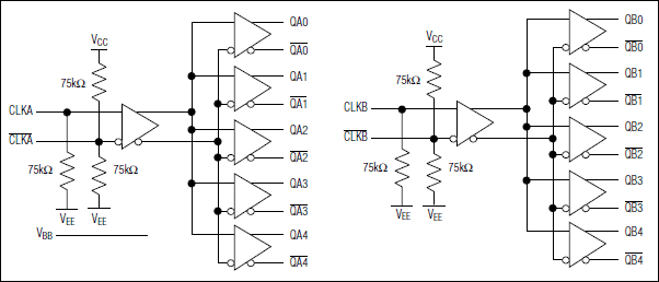
MAX9312, MAX9314: Functional Diagram
Add to myAnalog

Add product to the Products section of myAnalog (to receive notifications), to an existing project or to a new project.

Create New Project
Ask a Question

Documentation

Learn More
Add to myAnalog

Add media to the Resources section of myAnalog, to an existing project or to a new project.

Create New Project

Software Resources

Can't find the software or driver you need?

Request a Driver/Software

Tools & Simulations


Evaluation Kits

MAX9311EVKIT

Evaluation Kit for the MAX9311, MAX9312, MAX9313, MAX9314

Features and Benefits

  • Controlled 50Ω Impedance: Microstrip
  • Input/Output Line Lengths Matched to < 1.5ps
  • LVPECL/LVECL and Differential HSTL Supply Range
    VCC - VEE = 2.25V - 3.8V
  • Footprint Compatible with MC100LVEP111 (MAX9311)
  • Fully Assembled and Tested
  • Product Details

    The MAX9311 evaluation kit (EV kit) includes the MAX9311 low-skew, 1-to-10 differential driver designed for clock distribution. The MAX9311 EV kit supports LVECL/LVPECL testing up to 3GHz. The kit allows selection of two sources and reproduces the selected signal at 10 identical differential outputs. Inputs can be differential or single ended. Single-ended input operation is achieved by using the on-chip reference, VBB.

    The MAX9311 EV kit can also be used to evaluate the MAX9312, MAX9313, and MAX9314.

    MAX9311EVKIT
    Evaluation Kit for the MAX9311, MAX9312, MAX9313, MAX9314

    Latest Discussions

    No discussions on MAX9312 yet. Have something to say?

    Start a Discussion on EngineerZone®

    Recently Viewed