MAX3984

NOT RECOMMENDED FOR NEW DESIGNS

1Gbps to 10Gbps Preemphasis Driver with Receive Equalizer

Cable Driver Reduces Jitter in 8.5Gbps, 10Gbps Copper Interconnects

Viewing:

Overview

  • Drives Up to 10m of 24 AWG Cable
  • Drives Up to 30in of FR-4
  • Selectable 1000mVP-P or 1200mVP-P Differential Output Swing
  • Selectable Output Preemphasis
  • Selectable Input Equalization
  • LOS Detection with Built-In Squelch
  • Transmit Disable
  • Hot Pluggable

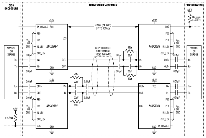
The MAX3984 is a single-channel, preemphasis driver with input equalization that operates from 1Gbps to 10.3Gbps. It provides compensation for copper links, such as 8.5Gbps Fibre Channel and 10.3Gbps Ethernet, allowing spans of up to 10m with 24 AWG cable. The driver provides four selectable preemphasis levels, and the selectable input equalizer compensates for up to 10in of FR-4 circuit board material at 10Gbps.

The MAX3984 also features SFP-compliant loss-of-signal (LOS) detection and TX_DISABLE. Selectable output swing reduces EMI and power consumption. The MAX3984 is packaged in a lead-free, 3mm x 3mm, 16-pin thin QFN and operates from a 0°C to +85°C temperature range.

Applications

  • 10.3Gbps Ethernet
  • 8.5Gbps Fibre Channel
  • Active Cable Assemblies
  • STM-64

MAX3984
1Gbps to 10Gbps Preemphasis Driver with Receive Equalizer
MAX3984: Typical Operating Circuit
Add to myAnalog

Add product to the Products section of myAnalog (to receive notifications), to an existing project or to a new project.

Create New Project
Ask a Question

Documentation

Learn More
Add to myAnalog

Add media to the Resources section of myAnalog, to an existing project or to a new project.

Create New Project

Evaluation Kits

MAX3984EVKIT

Evaluation Kit for the MAX3984

Features and Benefits

  • Fully Assembled and Tested
  • Allows Full Electrical Evaluation

Product Details

The MAX3984 evaluation kit (EV kit) is a fully assembled and tested demonstration board that provides complete evaluation of the MAX3984 1Gbps to 10Gbps preemphasis driver with receive equalizer.

Applications

  • 10.3Gbps Ethernet
  • 8.5Gbps Fibre Channel
  • Active Cable Assemblies
  • STM-64

MAX3984EVKIT
Evaluation Kit for the MAX3984

Latest Discussions

No discussions on MAX3984 yet. Have something to say?

Start a Discussion on EngineerZone®

Recently Viewed