MAX3241E

PRODUCTION

±15kV ESD-Protected, Down to 10nA, 3.0V to 5.5V, Up to 1Mbps, True RS-232 Transceivers

Viewing:

Overview

  • For Space-Constrained Applications
    • MAX3228E/MAX3229E: ±15kV ESD-Protected, +2.5V to +5.5V, RS-232 Transceivers in UCSP
  • For Low-Voltage or Data Cable Applications
    • MAX3380E/MAX3381E: +2.35V to +5.5V, 1µA, 2Tx/2Rx, RS-232 Transceivers with ±15kV ESD-Protected I/O and Logic Pins

The MAX3222E/MAX3232E/MAX3237E/MAX3241E/MAX3246E +3.0V-powered EIA/TIA-232 and V.28/V.24 communications interface devices feature low power consumption, high data-rate capabilities, and enhanced electrostatic-discharge (ESD) protection. The enhanced ESD structure protects all transmitter outputs and receiver inputs to ±15kV using IEC 1000-4-2 Air-Gap Discharge, ±8kV using IEC 1000-4-2 Contact Discharge (±9kV for MAX3246E), and ±15kV using the Human Body Model. The logic and receiver I/O pins of the MAX3237E are protected to the above standards, while the transmitter output pins are protected to ±15kV using the Human Body Model.

A proprietary low-dropout transmitter output stage delivers true RS-232 performance from a +3.0V to +5.5V power supply, using an internal dual charge pump. The charge pump requires only four small 0.1µF capacitors for operation from a +3.3V supply. Each device guarantees operation at data rates of 250kbps while maintaining RS-232 output levels. The MAX3237E guarantees operation at 250kbps in the normal operating mode and 1Mbps in the MegaBaud™ operating mode, while maintaining RS-232-compliant output levels.

The MAX3222E/MAX3232E have two receivers and two transmitters. The MAX3222E features a 1µA shutdown mode that reduces power consumption in battery-powered portable systems. The MAX3222E receivers remain active in shutdown mode, allowing monitoring of external devices while consuming only 1µA of supply current. The MAX3222E and MAX3232E are pin, package, and functionally compatible with the industry-standard MAX242 and MAX232, respectively.

The MAX3241E/MAX3246E are complete serial ports (three drivers/five receivers) designed for notebook and subnotebook computers. The MAX3237E (five drivers/three receivers) is ideal for peripheral applications that require fast data transfer. These devices feature a shutdown mode in which all receivers remain active, while consuming only 1µA (MAX3241E/MAX3246E) or 10nA (MAX3237E).

The MAX3222E, MAX3232E, and MAX3241E are available in space-saving SO, SSOP, TQFN and TSSOP packages. The MAX3237E is offered in an SSOP package. The MAX3246E is offered in the ultra-small 6 x 6 UCSP™ package.

Applications

  • Battery-Powered Equipment
  • Cell Phone Data Cables
  • Cell Phones/Smartphones
  • Notebook, Subnotebook, and Palmtop Computers
  • Printers
  • XDSL Modems

MAX3241E
±15kV ESD-Protected, Down to 10nA, 3.0V to 5.5V, Up to 1Mbps, True RS-232 Transceivers
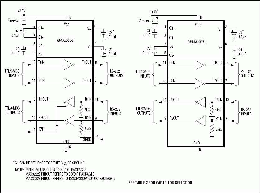
MAX3222E, MAX3232E, MAX3237E, MAX3241E, MAX3246E: Typical Operating Circuit
Add to myAnalog

Add product to the Products section of myAnalog (to receive notifications), to an existing project or to a new project.

Create New Project
Ask a Question

Documentation

Learn More
Add to myAnalog

Add media to the Resources section of myAnalog, to an existing project or to a new project.

Create New Project

Tools & Simulations


Evaluation Kits

eval board
MAX3232PMB1

MAX3232PMB1 Peripheral Module

Features and Benefits

  • Transmitter Output and Receiver Inputs Protected to ±15kV
  • Implements RS-232 DCE
  • True RS-232 Levels from Single 3.3V Supply
  • 6-Pin Pmod-Compatible Connector (Pmod Interface Type 4 UART)
  • RoHS Compliant
  • Proven PCB Layout
  • Fully Assembled and Tested

Product Details

The MAX3232PMB1 peripheral module provides the necessary hardware to interface the MAX3232E true RS-232 transceiver to any system that utilizes Pmod™-compatible expansion ports configurable for UART communication. The IC has two receivers and two transmitters that are used to implement RS-232 data transmit and receive channels along with optional CTS and RTS handshaking. The RS-232 side input and output levels are true RS-232, achieved by incorporation of a dual internal charge pump.

Refer to the MAX3232E IC data sheet for detailed information regarding operation of the IC.

Applications

  • Battery Powered Equipment
  • Printers. PCs, Computers
  • Rapid Prototyping
  • XDSL Modems

MAX3232PMB1
MAX3232PMB1 Peripheral Module
MAX3232PMB1 Board Photo

Latest Discussions

Recently Viewed