MAX218
PRODUCTION1.8V to 4.25V Powered, True RS-232 Dual Transceiver
- Part Models
- 7
- 1ku List Price
- Starting From $6.29
Overview
- Operates Directly from Two Alkaline, NiCd, or NiMH Cells
- +1.8V to +4.25V Supply Voltage Range
- 120kbps Data Rate
- Low-Cost Surface-Mount Components
- Meets EIA/TIA-232E Specifications
- 1µA Low-Power Shutdown Mode
- Both Receivers Active During Low-Power Shutdown
- Three-State Receiver Outputs
- Flow-Through Pinout
- On-Board DC-DC Converters
- 20-Pin SSOP, Wide SO, or DIP Packages
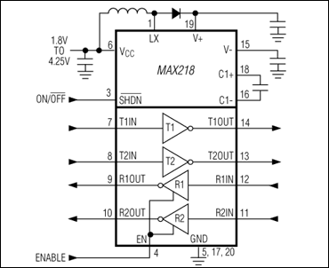
The MAX218 RS-232 transceiver is intended for battery-powered EIA/TIA-232E and V.28/V.24 communications interfaces that need two drivers and two receivers with minimum power consumption. It provides a wide +1.8V to +4.25V operating voltage range while maintaining true RS-232 and EIA/TIA-562 voltage levels. The MAX218 runs from two alkaline, NiCd, or NiMH cells without any form of voltage regulator.
A shutdown mode reduces current consumption to 1µA, extending battery life in portable systems. While shut down, all receivers can remain active or can be disabled under logic control, permitting a system incorporating the CMOS MAX218 to monitor external devices while in low-power shutdown mode.
A guaranteed 120kbps data rate provides compatibility with popular software for communicating with personal computers. Three-state drivers are provided on all receiver outputs so that multiple receivers, generally of different interface standards, can be wire-ORed at the UART. The MAX218 is available in 20-pin DIP, SO, and SSOP packages.
Applications
- Battery-Powered Applications
- Computers: Desktop, Workstation, Server
- Instruments
- Modems
- Peripherals
- Printers
Documentation
Data Sheet 1
Technical Articles 3
ADI has always placed the highest emphasis on delivering products that meet the maximum levels of quality and reliability. We achieve this by incorporating quality and reliability checks in every scope of product and process design, and in the manufacturing process as well. "Zero defects" for shipped products is always our goal. View our quality and reliability program and certifications for more information.
| Part Model | Pin/Package Drawing | Documentation | CAD Symbols, Footprints, and 3D Models |
|---|---|---|---|
| MAX218CAP+ | SSOP | ||
| MAX218CAP+T | SSOP | ||
| MAX218CPP+ | PDIP | ||
| MAX218CWP+ | Small-Outline IC, Wide (0.3in) | ||
| MAX218CWP+T | Small-Outline IC, Wide (0.3in) | ||
| MAX218EAP+ | SSOP | ||
| MAX218EAP+T | SSOP |
| Part Models | Product Lifecycle | PCN |
|---|---|---|
|
Jul 28, 2023 - 2361H WAFER FAB |
||
| MAX218CAP+ | PRODUCTION | |
| MAX218CAP+T | PRODUCTION | |
| MAX218CWP+ | PRODUCTION | |
| MAX218EAP+ | PRODUCTION | |
| MAX218EAP+T | PRODUCTION | |
This is the most up-to-date revision of the Data Sheet.