LTC2844

PRODUCTION

3.3V Software-Selectable Multiprotocol Transceiver

Viewing:

Part Details

  • Software-Selectable Transceiver Supports: RS232, RS449, EIA530, EIA530-A, V.35, V.36, X.21
  • TUV Rheinland of North America Inc. Certified NET1, NET2 and TBR2 Compliant, Report No.: TBR2/051501/02
  • Operates from Single 3.3V Supply with LTC2846
  • Complete DTE or DCE Port with LTC2846
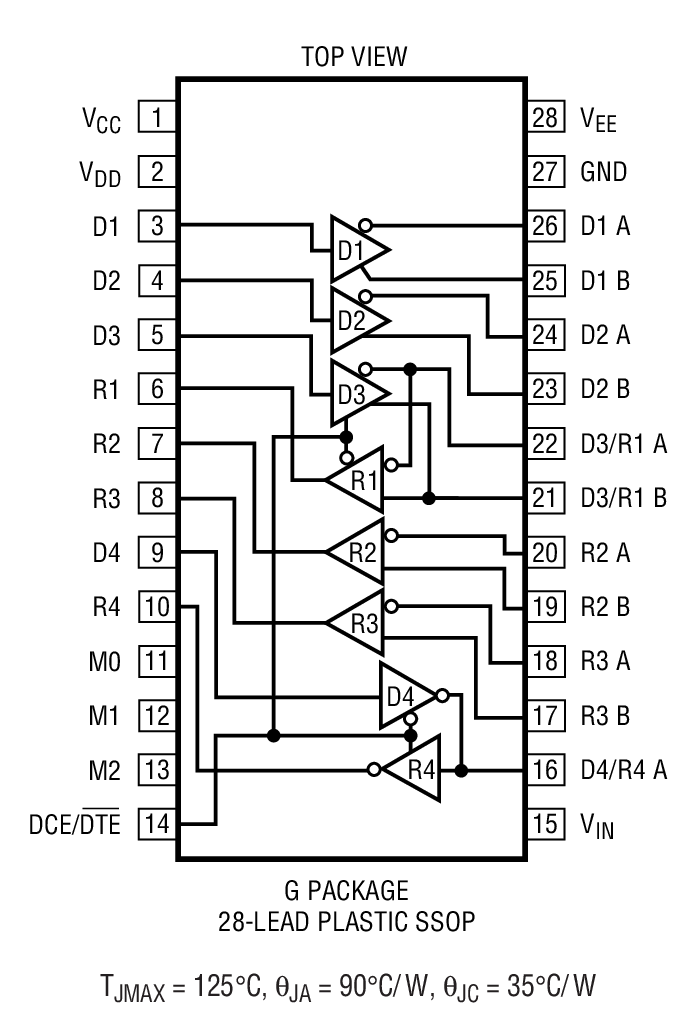
  • 28-Lead SSOP Surface Mount Package
LTC2844
3.3V Software-Selectable Multiprotocol Transceiver
DTE or DCE Multiprotocol Serial Interface with DB-25 Connector Product Package 1
Add to myAnalog

Add product to the Products section of myAnalog (to receive notifications), to an existing project or to a new project.

Create New Project
Ask a Question

Documentation

Data Sheet

This is the most up-to-date revision of the Data Sheet.

Learn More
Add to myAnalog

Add media to the Resources section of myAnalog, to an existing project or to a new project.

Create New Project

Evaluation Kits

eval board
DC497A

LTC2846CG LTC2844CG | Software-Selectable Multi-Protocol Transceiver

Product Details

DC497A Demo Board for:

LTC2844 3.3V Software-Selectable Multiprotocol Transceiver

LTC2846 3.3V Software-Selectable Multiprotocol Transceiver with Termination

DC497A
LTC2846CG LTC2844CG | Software-Selectable Multi-Protocol Transceiver
DC497A - Schematic

Latest Discussions

Recently Viewed