LTC1343
PRODUCTIONSoftware-Selectable Multiprotocol Transceiver
- Part Models
- 4
- 1ku List Price
- Starting From $17.97
Overview
- Software-Selectable Transceiver Supports: RS232, RS449, EIA-530, EIA-530-A, V.35, V.36, X.21
- NET1 and NET2 Compliant
- Software-Selectable Cable Termination Using the LTC1344
- 4-Driver/4-Receiver Configuration Provides a Complete 2-Chip DTE or DCE Port
- Operates from Single 5V Supply
- Internal Echoed Clock and Loop-Back Logic
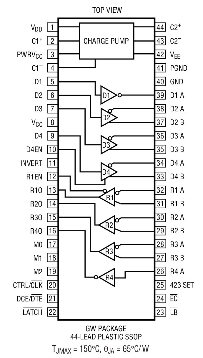
The LTC1343 is a 4-driver/4-receiver multiprotocol transceiver that operates from a single 5V supply. Two LTC1343s form the core of a complete software-selectable DTE or DCE interface port that supports the RS232, RS449, EIA-530,EIA-530-A, V.35, V.36 or X.21 protocols. Cable termination may be implemented using the LTC1344 software-selectable cable termination chip or by using existing discrete designs.
The LTC1343 runs from a single 5V supply using an internal charge pump that requires only five space saving surface mount capacitors. The mode pins are latched internally to allow sharing of the select lines between multiple interface ports.
Software-selectable echoed clock and loop-back modes help eliminate the need for external glue logic between the serial controller and line transceiver. The part features a flow-through architecture to simplify EMI shielding and is available in the 44-lead SSOP surface mount package.
Applications
- Data Networking
- CSU and DSU
- Data Routers
Documentation
Data Sheet 1
Reliability Data 4
Application Note 1
Design Note 1
Technical Articles 1
Video 1
Product Selector Card 1
ADI has always placed the highest emphasis on delivering products that meet the maximum levels of quality and reliability. We achieve this by incorporating quality and reliability checks in every scope of product and process design, and in the manufacturing process as well. "Zero defects" for shipped products is always our goal. View our quality and reliability program and certifications for more information.
| Part Model | Pin/Package Drawing | Documentation | CAD Symbols, Footprints, and 3D Models |
|---|---|---|---|
| LTC1343CGW#PBF | 44-Lead SSOP (Wide 0.3 Inch) | ||
| LTC1343CGW#TRPBF | 44-Lead SSOP (Wide 0.3 Inch) | ||
| LTC1343IGW#PBF | 44-Lead SSOP (Wide 0.3 Inch) | ||
| LTC1343IGW#TRPBF | 44-Lead SSOP (Wide 0.3 Inch) |
This is the most up-to-date revision of the Data Sheet.