HMC958
RECOMMENDED FOR NEW DESIGNS14 Gbps 4:1 Selector SMT with Programmable Output Voltage
- Part Models
- 3
- 1ku List Price
- price unavailable
Overview
- Differential & Single-Ended Inputs/Outputs
- Low Power Consumption: 294 mW typ.
- Programmable Differential Output Voltage Swing: 525 - 1300 mVP-P
- Fast Rise and Fall Times: 17 ps
- Propagation Delay: 121 ps
- Single Supply: -3.3V
- 32 Lead 5×5mm SMT Package: 25mm2
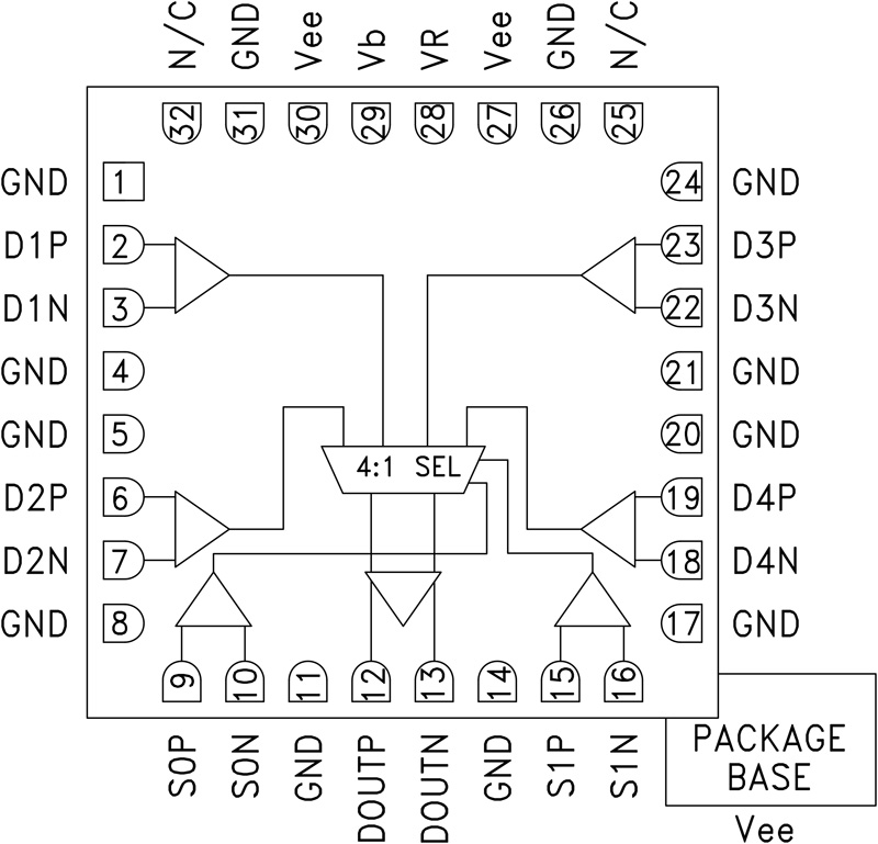
The HMC958LC5 is a 4:1 Selector designed to support data transmission rates of up to 14 Gbps and selector port operation up to 14 GHz. The selector routes the differential inputs to either one or both of the desired outputs upon assertion of the appropriately selected port. The HMC958LC5 also features an output level control pin, VR, which allows for loss compensation or for signal level optimization.
All single-ended input signals to the HMC958LC5 are terminated with 50 Ω to ground on-chip, and may be either AC or DC coupled. The outputs of the HMC958LC5 may be operated either differentially or single ended. Outputs can be connected directly to a 50 Ω terminated system, while DC blocking capacitors may be used if the terminating system is 50 Ω to a non-ground DC voltage. The HMC958LC5 operates from a single -3.3V DC supply and is available in a ceramic RoHS compliant 5 × 5 mm SMT package.
APPLICATIONS
- SONET OC-192 and 10 GbE
- 16G Fiber Channel
- 4:1 Multiplexer
- Built-In Test
- Broadband Test & Measurement
To request data sheet and for additional information, please contact RFMG-hsl@analog.com
Documentation
Quality Documentation 1
Product Selection Guide 1
ADI has always placed the highest emphasis on delivering products that meet the maximum levels of quality and reliability. We achieve this by incorporating quality and reliability checks in every scope of product and process design, and in the manufacturing process as well. "Zero defects" for shipped products is always our goal. View our quality and reliability program and certifications for more information.
| Part Model | Pin/Package Drawing | Documentation | CAD Symbols, Footprints, and 3D Models |
|---|---|---|---|
| HMC958LC5 | 32-Lead LFCSP_CAV (5mm x 5mm w/ EP) | ||
| HMC958LC5TR | 32-Lead LFCSP_CAV (5mm x 5mm w/ EP) | ||
| HMC958LC5TR-R5 | 32-Lead LFCSP_CAV (5mm x 5mm w/ EP) |
This is the most up-to-date revision of the Data Sheet.