HMC871

RECOMMENDED FOR NEW DESIGNS

EA Optical Modulator Driver SMT, DC - 20 GHz

Viewing:

Overview

  • Wide Supply Range from 5V to 8V
  • Adjustable Output Amplitude up to 4VP-P
  • Low Additive RMS Jitter, <300fs
  • Low DC Power Consumption 0.25W for VOUT = 2.5VP-P at VDD = 5V
  • Cross Point Adjustment
  • 32 Lead 5x5mm SMT Package: 25mm2

The HMC871LC5 is a GaAs MMIC PHEMT Distributed Driver Amplifier packaged in a leadless 5x5mm surface mount package. The amplifier operates between DC and 20 GHz and provides 15 dB of gain. The output swing cross point is adjustable and saturated output swing is 4VP-P. Gain flatness is excellent at 0.5 dB as well as very low additive RMS jitter of 300 fs for 10 Gbps operation.

The HMC871LC5 provides VSR and Gigabit Ethernet designers with scalable power dissipation for varying output drive requirements (<0.25W at VOUT = 2.5VP-P and <0.6W at VOUT = 4VP-P). The HMC871LC5 has a very wide supply (VDD) operating range from +5V to +8V and the I/Os are internally matched to 50 Ohms

APPLICATIONS

  • SONET OC-192 & SDH-STM-64 Transmission Systems
  • 10 GbE Transmitters
  • 10 Gbps VSR Modules
  • Pre-driver for 40 Gbps DQPSK Modules 
  • Broadband Gain Block for Test & Measurement Equipment

HMC871
EA Optical Modulator Driver SMT, DC - 20 GHz
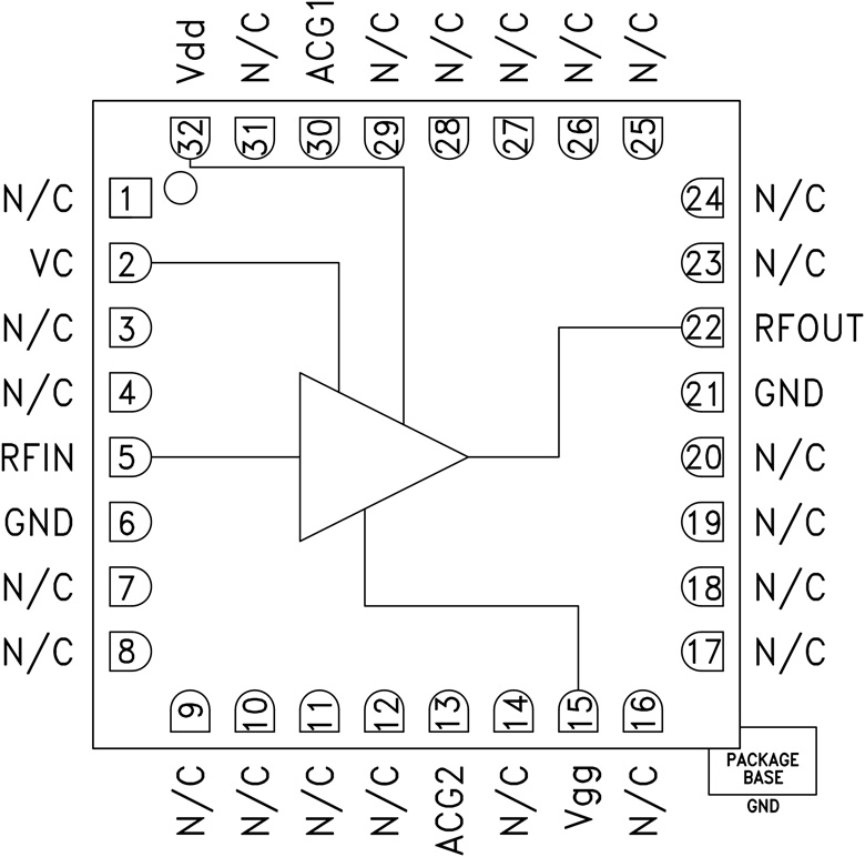
HMC871 Functional Block Diagram
Add to myAnalog

Add product to the Products section of myAnalog (to receive notifications), to an existing project or to a new project.

Create New Project
Ask a Question

Documentation

Data Sheet

This is the most up-to-date revision of the Data Sheet.

Learn More
Add to myAnalog

Add media to the Resources section of myAnalog, to an existing project or to a new project.

Create New Project

Evaluation Kits

EVAL-HMC871LC5

HMC871LC5 Evaluation Board

Product Details

The circuit board used in the application should use RF circuit design techniques. Signal lines should have 50 Ohm impedance while the package ground leads and package bottom should be connected directly to the ground. A sufficient number of via holes should be used to connect the top and bottom ground planes. The evaluation board should be mounted to an appropriate heat sink. The evaluation circuit board is available from Analog Devices upon request.

EVAL-HMC871LC5
HMC871LC5 Evaluation Board

Latest Discussions

Recently Viewed