HMC748
RECOMMENDED FOR NEW DESIGNS13 Gbps Fast Rise Time 2:1 Selector with Programmable Output Voltage
- Part Models
- 3
- 1ku List Price
- price unavailable
Overview
- Supports High Data Rates: up to 13 Gbps
- Single-Ended Inputs
- Differential & Single-Ended Outputs
- Propagation Delay: 125 ps
- Fast Rise & Fall Times: 22 / 22 ps
- Programmable Differential
Output Voltage Swing: 600 - 1200 mV - Low Power Consumption: 250 mW typ.
- Single Supply: +3.3V
- 16 Lead Ceramic 3x3mm SMT Package: 9mm2
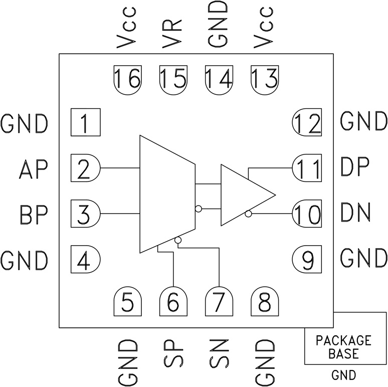
The HMC748 is a 2:1 Selector designed to support data transmission rates of up to 13 Gbps, and selector port operation of up to 13 GHz. The selector routes one of the two single-ended inputs to the differential output upon assertion of the proper select port. The HMC748 also features an output level control pin, VR, which allows for loss compensation or for signal level optimization.
All single-ended input signals to the HMC748 are terminated with 50 ohms to VCC on-chip, and may be either AC or DC coupled. The outputs of the HMC748 may be operated either differentially or single-ended. Inputs or outputs can be connected directly to a 50 ohm to VCC terminated system, while DC blocking capacitors may be used if the terminating system is 50 ohms to ground. The HMC748 operates from a single +3.3V DC supply and is housed in a ceramic RoHS compliant 3x3 mm SMT package.
APPLICATIONS
- 2:1 Multiplexer up to 13 Gbps
- RF ATE Applications
- Broadband Test & Measurement
- Serial Data Transmission up to 13 Gbps
- Redundant Path Switching
- Built-in Test
Documentation
Data Sheet 1
Technical Articles 1
Quality Documentation 2
Tape & Reel Specification 1
Product Selection Guide 1
ADI has always placed the highest emphasis on delivering products that meet the maximum levels of quality and reliability. We achieve this by incorporating quality and reliability checks in every scope of product and process design, and in the manufacturing process as well. "Zero defects" for shipped products is always our goal. View our quality and reliability program and certifications for more information.
| Part Model | Pin/Package Drawing | Documentation | CAD Symbols, Footprints, and 3D Models |
|---|---|---|---|
| HMC748LC3C | 16-Lead LCC (3mm x 3mm w/ EP) | ||
| HMC748LC3CTR | 16-Lead LCC (3mm x 3mm w/ EP) | ||
| HMC748LC3CTR-R5 | 16-Lead LCC (3mm x 3mm w/ EP) |
This is the most up-to-date revision of the Data Sheet.