HMC727
RECOMMENDED FOR NEW DESIGNS13 Gbps Fast Rise Time D-Type Flip-Flop
- Part Models
- 3
- 1ku List Price
- price unavailable
Overview
- Supports High Data Rates: up to 13 Gbps
- Differential & Single-Ended Operation
- Fast Rise & Fall Times: 19/17 ps
- Low Power Consumption: 260 mW typ.
- Propagation Delay: 105 ps
- Single Supply: -3.3V
- 16 Lead Ceramic 3x3mm SMT Package: 9mm2
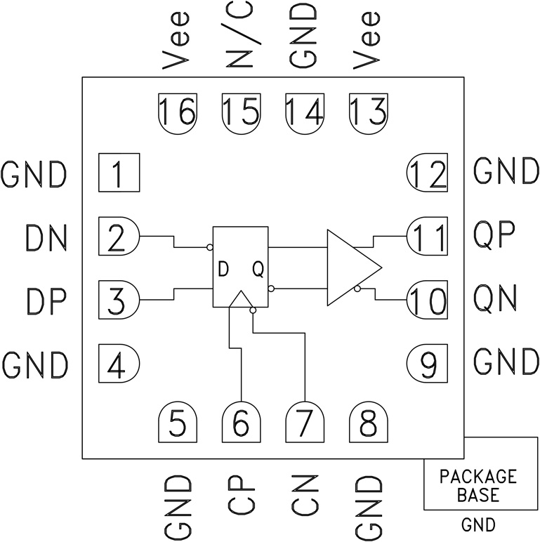
The HMC727 is a D-type Flip Flop designed to support data transmission rates of up to 13 Gbps, and clock frequencies as high as 13 GHz. During normal operation, data is transferred to the outputs on the positive edge of the clock. Reversing the clock inputs allows for negative-edge triggered applications. All input signals to the HMC727 are terminated with 50 Ohms to ground on-chip, and maybe either AC or DC coupled.
The differential outputs of the HMC727 may be either AC or DC coupled. Outputs can be connected directly to a 50 Ohm to ground terminated system, while DC blocking capacitors may be used if the terminating system is 50 Ohms to a nonground DC voltage. The HMC727 operates from a single -3.3V DC supply and is available in a ceramic RoHS compliant 3x3 mm SMT package.
APPLICATIONS
- RF ATE Applications
- Broadband Test & Measurement
- Serial Data Transmission up to 13 Gbps
- Digital Logic Systems up to 13 GHz
Documentation
Data Sheet 1
Quality Documentation 2
Tape & Reel Specification 1
Product Selection Guide 1
ADI has always placed the highest emphasis on delivering products that meet the maximum levels of quality and reliability. We achieve this by incorporating quality and reliability checks in every scope of product and process design, and in the manufacturing process as well. "Zero defects" for shipped products is always our goal. View our quality and reliability program and certifications for more information.
| Part Model | Pin/Package Drawing | Documentation | CAD Symbols, Footprints, and 3D Models |
|---|---|---|---|
| HMC727LC3C | 16-Lead LCC (3mm x 3mm w/ EP) | ||
| HMC727LC3CTR | 16-Lead LCC (3mm x 3mm w/ EP) | ||
| HMC727LC3CTR-R5 | 16-Lead LCC (3mm x 3mm w/ EP) |
This is the most up-to-date revision of the Data Sheet.