DS1123L

Obsolete

3.3V, 8-Bit, Programmable Timing Element

Viewing:

Overview

  • Step Sizes of 0.25ns, 0.5ns, 1ns, 2ns
  • On-Chip Reference Delay
  • Configurable as a Delay Line, Monostable Vibrator, or Free-Running Oscillator
  • Can Delay Signals by a Full Period or More
  • Guaranteed Monotonicity
  • Parallel and 3-Wire Serial Programming Interface
  • Single 3.3V Power Supply
  • 16-pin TSSOP

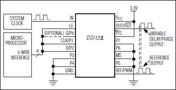
The DS1123L is an 8-bit programmable timing element similar in function to the DS1023, but operating at 3.3V. Like the DS1023, the DS1123L can delay signals up to a full period or more when used as a delay line, and an on-chip reference delay can be used to offset the inherent "step-zero" delay. This allows the DS1123L to shift a clock signal over the full 0 to 360° phase range. In addition to functioning as a delay line, it can be configured as a free-running oscillator or an externally triggered monostable vibrator.

Applications

  • Digital Test Equipment
  • Digital Video Projection
  • Signal Generators and Analyzers
  • Telecommunications

DS1123L
3.3V, 8-Bit, Programmable Timing Element
DS1123L: Typical Operating Circuit
Add to myAnalog

Add product to the Products section of myAnalog (to receive notifications), to an existing project or to a new project.

Create New Project
Ask a Question

Documentation

Learn More
Add to myAnalog

Add media to the Resources section of myAnalog, to an existing project or to a new project.

Create New Project

Software Resources

Can't find the software or driver you need?

Request a Driver/Software

Latest Discussions

No discussions on DS1123L yet. Have something to say?

Start a Discussion on EngineerZone®

Recently Viewed