ADN2830
NOT RECOMMENDED FOR NEW DESIGNSAverage Power Controller for Continuous Wave (CW) Laser
- Part Models
- 4
- 1ku List Price
- price unavailable
Overview
- Bias Current Range 4 mA to 200 mA
- Monitor Photodiode Current 50 µA to 1200 µA
- Closed-loop Control of Average Power
- Laser Fail and Laser Degrade Alarms
- Automatic Laser Shutdown (ALS)
- Current parameter monitoring
- −40°C to +85°C Temperature Range
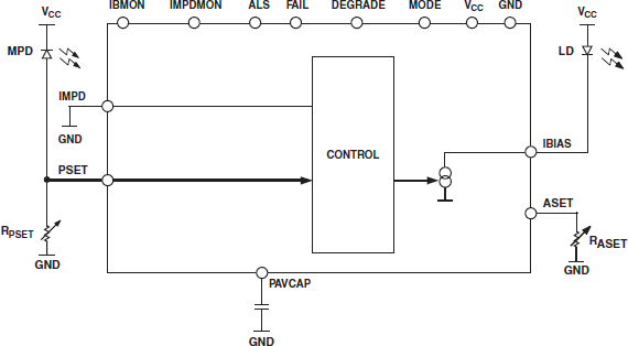
The ADN2830 provides closed loop control of the average optical power of a continuous wave (CW) laser diode (LD) after initial factory setup. The control loop adjusts the laser IBIAS to maintain a constant Back Facet Monitor Photo Diode (MPD) current and hence a constant laser optical power. The external PSET resistor is adjusted during factory set up to set the desired optical power. RPSET is set at 1.23/IAV, where IAV is the MPD current corresponding to the desired optical power. Programmable alarms are provided for laser fail (end of life) and laser degrade (impending fail).
The ADN2830 operates from a single power +5 V supply. It is available in 5mm × 5mm LFCSP-32 Lead Frame Chip Scale.
Documentation
Data Sheet 1
Application Note 1
ADI has always placed the highest emphasis on delivering products that meet the maximum levels of quality and reliability. We achieve this by incorporating quality and reliability checks in every scope of product and process design, and in the manufacturing process as well. "Zero defects" for shipped products is always our goal. View our quality and reliability program and certifications for more information.
| Part Model | Pin/Package Drawing | Documentation | CAD Symbols, Footprints, and 3D Models |
|---|---|---|---|
| ADN2830ACP32 | 32-Lead LFCSP (5mm x 5mm) | ||
| ADN2830ACP32-REEL | 32-Lead LFCSP (5mm x 5mm) | ||
| ADN2830ACP32-REEL7 | 32-Lead LFCSP (5mm x 5mm) | ||
| ADN2830ACPZ32 | 32-Lead LFCSP (5mm x 5mm) |
| Part Models | Product Lifecycle | PCN |
|---|---|---|
|
Oct 28, 2009 - 08_0008 Qualification of 8" 0.6um BiCMOS wafer fab process at Analog Devices, Limerick, Ireland. |
||
| ADN2830ACP32 | Obsolete | |
| ADN2830ACP32-REEL | Obsolete | |
| ADN2830ACP32-REEL7 | Obsolete | |
| ADN2830ACPZ32 | PRODUCTION | |
|
Feb 15, 2010 - 07_0061 LFCSP Package Manufacturing Line Transfer from Amkor Korea to Amkor PRC |
||
| ADN2830ACP32-REEL | Obsolete | |
| ADN2830ACP32-REEL7 | Obsolete | |
|
Mar 23, 2012 - 11_0104 Conversion of Select Sizes of LFCSP Package Outlines from Punch to Sawn and Transfer of Assembly Site to ASE-Korea. |
||
| ADN2830ACPZ32 | PRODUCTION | |
|
Jul 27, 2010 - 10_0099 Supplier Lead(Pb) Line Shutdown (Amkor Technologies - Korea) |
||
| ADN2830ACP32 | Obsolete | |
| ADN2830ACP32-REEL | Obsolete | |
| ADN2830ACP32-REEL7 | Obsolete | |
This is the most up-to-date revision of the Data Sheet.