ADM489

PRODUCTION

5 V, Slew-Rate Limited, Low Power, 250 kbps, Full Duplex EIA RS-485 Transceiver (with DE/RE)

Viewing:

Overview

  • Meets EIA RS-485 Standard
  • 250 kbps Data Rate
  • Single 5 V ± 10% Supply
  • –7 V to +12 V Bus Common-Mode Range
  • 12 kO Input Impedance
  • 2 kV EFT Protection Meets IEC1000-4-4
  • High EM Immunity Meets IEC1000-4-3
  • Reduced Slew Rate for Low EM Interference
  • Short Circuit Protection
  • Excellent Noise Immunity
  • 30 µA Supply Current

The ADM488 and ADM489 are low power differential line transceiver suitable for communication on multipoint bus transmission lines.

They are intended for balanced data transmission and comply with both EIA Standards RS-485 and RS-422. Both products contains a single differential line driver and a single differential line receiver making them suitable for full duplex data transfer.

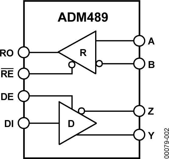
The ADM489 contains an additional receiver and driver enable control.

The input impedance is 12 kΩ, allowing 32 transceivers to be connected on the bus.

The ADM488 / ADM489 operates from a single +5 V ± 10% power supply. Excessive power dissipation caused by bus contention or by output shorting is prevented by a thermal shutdown circuit. This feature forces the driver output into a high impedance state if during fault conditions a significant temperature increase is detected in the internal driver circuitry.

The receiver contains a fail-safe feature that results in a logic high output state if the inputs are unconnected (floating). The ADM488 / ADM489 is fabricated on BiCMOS, an advanced mixed technology process combining low power CMOS with fast switching bipolar technology.

The ADM488 / ADM489 is fully specified over the industrial temperature range and is available in DIP, SOIC and TSSOP packages.

ADM489
5 V, Slew-Rate Limited, Low Power, 250 kbps, Full Duplex EIA RS-485 Transceiver (with DE/RE)
ADM489 Functional Block Diagram ADM489 Pin Configuration
Add to myAnalog

Add product to the Products section of myAnalog (to receive notifications), to an existing project or to a new project.

Create New Project
Ask a Question

Documentation

Learn More
Add to myAnalog

Add media to the Resources section of myAnalog, to an existing project or to a new project.

Create New Project

Evaluation Kits

eval board
EVAL-RS485FDEBZ

Standard RS-485 Full-Duplex (14-lead SOIC) Evaluation Board, EVAL-RS485FDEBZ

Product Details

The EVAL-RS485FDEBZ allows quick and easy evaluation of full-duplex RS-485 transceivers with standard 14-lead SOIC footprints. The evaluation board allows interfacing via screw terminal block to digital I/O for driver input (DI), receiver output (RO), driver enable (DE) and receiver output (RO). Bus signals A, B, Y and Z (full-duplex bus) can be connected to a bus screw terminal block. Termination resistors are fitted across A and B, as well as Y and Z. These can be connected in half-duplex configuration (A to Y, B to Z), in order to evaluate the RS-485 driver. Footprints are provided for pull-up and pull-down (biasing resistors) on the receiver inputs in order to provide the option to evaluate an RS-485 receiver with this configuration.

Devices for evaluation on the board must be ordered separately.

EVAL-RS485FDEBZ
Standard RS-485 Full-Duplex (14-lead SOIC) Evaluation Board, EVAL-RS485FDEBZ

Latest Discussions

Recently Viewed