ADCLK925S
RECOMMENDED FOR NEW DESIGNSAerospace Ultrafast SiGe ECL Clock/Data Buffers
- Part Models
- 3
- 1ku List Price
- Starting From $277.60
Overview
- 240 ps propagation delay
- 7 GHz toggle rate
- 60 ps typical output rise/fall
- 60 fs random jitter (RJ)
- On-chip terminations at both input pins
- Extended military temperature range: −55°C to +125°C
- 3.3 V power supply (VCC – VEE)
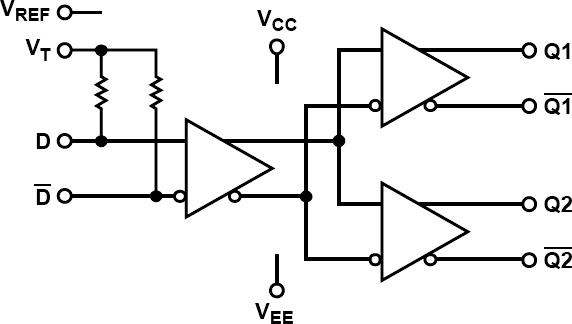
The ADCLK925S (one input, two outputs) is a ultrafast clock/data buffer fabricated on the Analog Devices, Inc., proprietary XFCB3 silicon germanium (SiGe) bipolar process.
The ADCLK925S features full-swing emitter coupled logic (ECL) output drivers. For PECL (positive ECL) operation, bias VCC to the positive supply and VEE to ground. For NECL (negative ECL) operation, bias VCC to ground and VEE to the negative supply.
The buffer offers 240 ps propagation delay, 7 GHz toggle rate, 10 Gbps data rate, and 60 fs random jitter (RJ).
The inputs have center-tapped, 100 Ω, on-chip termination resistors. A VREF pin is available for biasing ac-coupled inputs.
The ECL output stages are designed to directly drive 800 mV each side into 50 Ω terminated to VCC − 2 V for a total differential output swing of 1.6 V.
The ADCLK925S is available in 16-lead ceramic flat pack package
Documentation
Single Event Effects Radiation Reports 1
Low Dose Rate Radiation Reports 1
High Dose Rate Radiation Reports 1
ADI has always placed the highest emphasis on delivering products that meet the maximum levels of quality and reliability. We achieve this by incorporating quality and reliability checks in every scope of product and process design, and in the manufacturing process as well. "Zero defects" for shipped products is always our goal. View our quality and reliability program and certifications for more information.
| Part Model | Pin/Package Drawing | Documentation | CAD Symbols, Footprints, and 3D Models |
|---|---|---|---|
| 5962L1320502VXA | 16-Lead FlatPack | ||
| 5962R1320501VXA | 16-Lead FlatPack | ||
| ADCLK925AF-EMX | 16-Lead FlatPack |
| Part Models | Product Lifecycle | PCN |
|---|---|---|
|
Jul 30, 2018 - 16_0026 Qualify TeamQuest Technology, Inc. for Burn-in and Life Test of Military and Aerospace Devices |
||
| 5962L1320502VXA | PRODUCTION | |
| 5962R1320501VXA | PRODUCTION | |
| ADCLK925AF-EMX | PRODUCTION | |
|
Jun 6, 2017 - 17_0108 ADCLK925S Differential Mode Input Resistance Specification Correction for Aerospace Models |
||
| 5962L1320502VXA | PRODUCTION | |
| 5962R1320501VXA | PRODUCTION | |
| ADCLK925AF-EMX | PRODUCTION | |
|
Nov 18, 2015 - 15_0219 Laser Marking Standardization for Aerospace Packages |
||
| 5962R1320501VXA | PRODUCTION | |
| ADCLK925AF-EMX | PRODUCTION | |
This is the most up-to-date revision of the Data Sheet.
Software Resources
Can't find the software or driver you need?
Request a Driver/SoftwareLatest Discussions
No discussions on ADCLK925S yet. Have something to say?
Start a Discussion on EngineerZone®