MAX4986

PRODUCTION

SAS/SATA Single Lane 2:1/1:2 Multiplexer/Demultiplexer Plus Redriver with Equalization

1:2/2:1 Active Mux with Redrive Maintains Signal Integrity While Providing High-Frequency Performance at SAS/SATA 2.0s

Viewing:

Overview

  • Single +3.3V Supply Operation
  • Low-Power, 1mA (typ) Standby
    • Active-High Enable (EN) for Use with Power Good
    • Active-Low Enable (EN) for Cable-Detect Function
  • Supports SAS I/II/III ≤ 6.0Gbps
  • Independent Programmable Input Equalization Two Levels: 0dB, 4dB
  • Independent Programmable Output Preemphasis Two Levels: 0dB, 3dB
  • Independent Programmable Output Level Selection
  • Supports SAS/SATA OOB-Level Signaling
    • Programmable SAS/SATA Threshold
  • Cable-Detect Feature for Low Power Consumption
  • On-Chip 50Ω Input/Output Terminations
  • Inline Signal Traces for Simplified Layout
  • Space-Saving, 3.5mm x 9.0mm TQFN Package with Exposed Pad

The MAX4986 active 2:1/1:2 multiplexer/demultiplexer equalizes and redrives SAS/SATA or SATA-only signals up to 6.0Gbps and operates from a single +3.3V supply.
The MAX4986 features independent input equalization and output preemphasis. The MAX4986 enhances signal integrity at the receiver by equalizing the signal at the input and establishing preemphasis at the output of the device. SAS/SATA and SATA-only out-of-band (OOB) signaling is supported using high-speed amplitude detection on the inputs and squelch on the corresponding outputs. Inputs and outputs are internally 50Ω terminated and must be AC-coupled to the SAS/SATA controller IC and SAS/SATA device.
The MAX4986 is available in a small (3.5mm x 9.0mm), 42-pin TQFN package optimal for simplified layout and space-saving requirements. The MAX4986C is specified over the 0°C to +70°C commercial operating temperature range. The MAX4986E is specified over the -40°C to +85°C extended temperature range.

Applications

  • Desktops
  • Docking Stations
  • PC Servers
  • Workstations

MAX4986
SAS/SATA Single Lane 2:1/1:2 Multiplexer/Demultiplexer Plus Redriver with Equalization
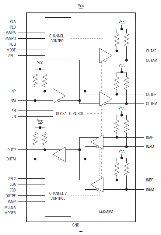
MAX4986: Functional Diagram
Add to myAnalog

Add product to the Products section of myAnalog (to receive notifications), to an existing project or to a new project.

Create New Project
Ask a Question

Documentation

Learn More
Add to myAnalog

Add media to the Resources section of myAnalog, to an existing project or to a new project.

Create New Project

Evaluation Kits

MAX4986EVKIT

Evaluation Kit for the MAX4986

Features and Benefits

  • One SATA Host Connector
  • Two SATA Device Connectors
  • Application Circuit with SATA Inputs/Outputs
  • Eye Diagram Test Circuit with SMA Inputs/Outputs
  • Calibration Traces (50Ω Load Trace and Through Trace)
  • Proven PCB Layout
  • Fully Assembled and Tested

Product Details

The MAX4986 evaluation kit (EV kit) provides a proven design to evaluate the MAX4986 SAS/SATA 2:1/1:2 multiplexer/demultiplexer. The EV kit contains four sections: an application circuit, characterization circuit, and two sets of calibration traces.

The application circuit is designed to demonstrate the MAX4986 in multiplexing and equalizing SAS/SATA signals. This section of the EV kit operates from an external +5V supply that is regulated by an on-board LDO to +3.3V, which powers the MAX4986 (U1). All traces in the application circuit are 100Ω differential controlled-impedance traces.

The characterization circuit is provided for eye diagram evaluation using SMA connectors and 50Ω controlled-impedance traces. This section is powered by an external +3.3V power supply.

For information on the specifications for SATA interfaces, refer to documents defined by the 2.6 release from the Serial ATA industry work group (www.serialata.org), or if superceded, by the most recently released document from the ATA ANSI work group (www.t13.org).

Applications

  • Desktops
  • Docking Stations
  • PC Servers
  • Workstations

MAX4986EVKIT
Evaluation Kit for the MAX4986

Latest Discussions

Recently Viewed