Overview
Product Details
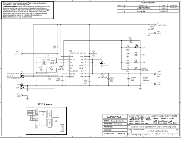
DC652A: Demo Board for the LTC3412A 3A, 4MHz, Monolithic Synchronous Step-Down Regulator.
Applicable Parts
Documentation & Resources
-
DC652A - Schematic9/24/2009PDF64K
-
DC652A - Demo Manual9/24/2009PDF388K
-
DC652A - Design File9/24/2009ZIP1M
