Documentation & Resources
-
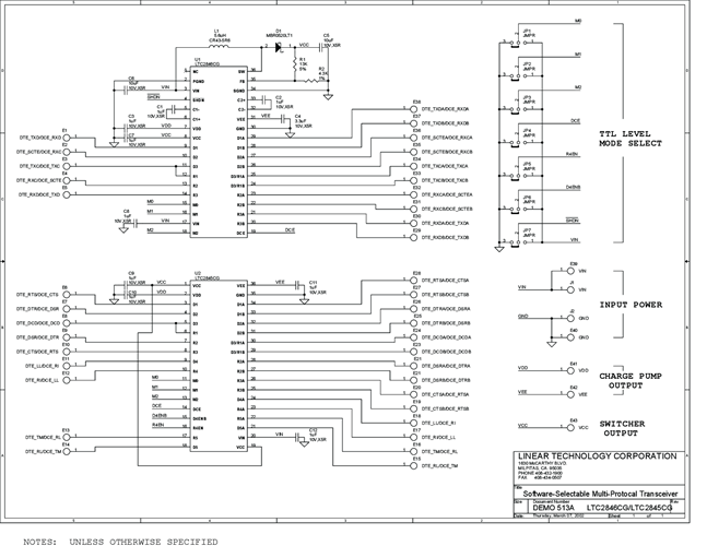
DC513A - Schematic9/24/2009PDF89K
-
DC513A - Demo Manual9/24/2009PDF245K
-
DC513A - Design File9/24/2009ZIP586K
