User Guide
                                                                    
                                                                
                                                                            
                                                                                Rev.
                                                                                A
                                                                            
                                                        
                                                        
                                                            
                                                                    1
                                                                    View All
                                                            
                                                        
                                                    Overview
Product Details
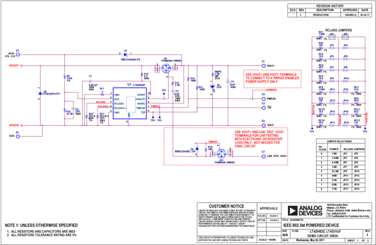
Demonstration circuit 2583 is an Ethernet Alliance™ certified IEEE 802.3bt compliant Power over Ethernet (PoE) powered device (PD). It features the LT4294 PD interface controller and the LT4321 PoE ideal diode bridge controller.
Markets and Technologies
Applicable Parts
Documentation & Resources
- 
                                                                
                                                                    
                                                                                                                                            DC2583A - Schematic6/9/2017PDF92K
- 
                                                                
                                                                    
                                                                                                                                            DC2583A - Demo Manual (Rev. A)6/9/2017PDF780K
- 
                                                                
                                                                    
                                                                                                                                            DC2583A - Design Files6/9/2017ZIP1M
 
                             
                         
                         
                                                 
                                                 
                                                 
                                                 
                                                 
                                                




