Overview
Product Details
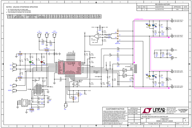
Demonstration circuit 2423A showcases the LTM9100 Isolated Switch Controller in either a typical 48V application (–A) or in a high voltage 380V application (–B). The board may be configured for either high side or low side operation, dependent on the connection of external supply and load to the banana jacks. An on board capacitive load may also be wired into the circuit. LEDs indicate the presence of input and output voltage.
Applicable Parts
Documentation & Resources
- 
                                                                
                                                                    
                                                                                                                                            Hot Swap Controllers8/2/2023PDF0 M
- 
                                                                
                                                                    
                                                                                                                                            DC2423A - Schematic3/8/2017PDF32K
- 
                                                                
                                                                    
                                                                                                                                            DC2423A - Demo Manual3/8/2017PDF480K
- 
                                                                
                                                                    
                                                                                                                                            DC2423A - Design Files3/8/2017ZIP634K
 
                             
                         
                         
                                                 
                                                 
                                                 
                                                 
                                                 
                                                 
                                                





