Overview
Product Details
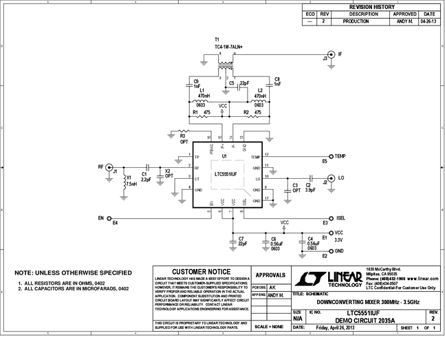
DC2035A: Demo Board for the LTC5551 300MHz to 3.5GHz Ultra-High Dynamic Range Downconverting Mixer.
Applicable Parts
Documentation & Resources
-
DC2035A - Schematic9/3/2013PDF47K
-
DC2035A - Demo Manual9/3/2013PDF432K
-
DC2035A - Design Files9/3/2013ZIP1M




