Overview
Product Details
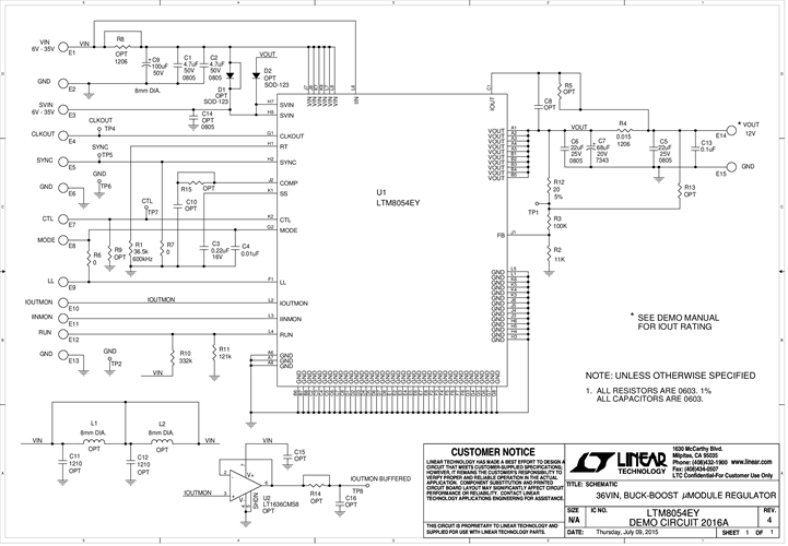
Demonstration circuit 2016A features the LTM8054, a synchronous buck-boost μModule regulator that accepts input voltages lower, higher or the same as the output, but is also highly efficient due to its four-switch architecture. The output for DC2016A is 12V and the input voltage range is 6V to 35V – see the LTM8054 data sheet for application circuits with input voltages up to 36V. The maximum output current of DC2016A is 3A and the switching frequency is 600kHz.
Markets and Technologies
Applicable Parts
Documentation & Resources
- 
                                                                
                                                                    
                                                                                                                                            DC2016A - Schematic9/18/2015PDF46K
- 
                                                                
                                                                    
                                                                                                                                            DC2016A - Demo Manual9/18/2015PDF602K
- 
                                                                
                                                                    
                                                                                                                                            DC2016A - Design Files9/18/2015ZIP0M
 
                             
                         
                         
                                                 
                                                 
                                                 
                                                 
                                                



