Overview
Product Details
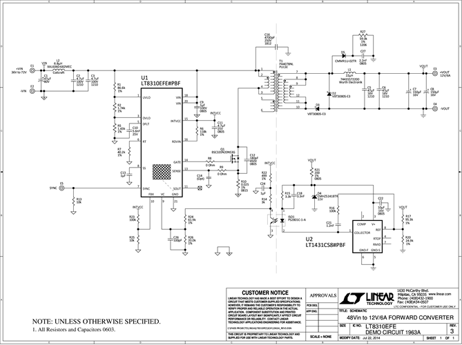
Demonstration circuit 1963A is a resonant reset forward converter featuring the LT8310 controller. This circuit was designed to demonstrate the high level of performance, and small solution size attainable using the LT8310. It operates at a 250kHz switching frequency, and regulates a 12V, 6A output from a 36V to 72V input source, making it well suited for telecom, industrial, and other applications. Table 1 summarizes the performance of the DC1963A.
Output regulation is handled on the secondary side by the LT1431, which is an adjustable shunt voltage regulator providing feedback to the primary side via an opto-coupler.
Applicable Parts
Documentation & Resources
-
DC1963A - Schematic8/18/2014PDF82K
-
DC1963A - Demo Manual8/18/2014PDF762K
-
DC1963A - Design Files8/18/2014ZIP2M
