Overview
Product Details
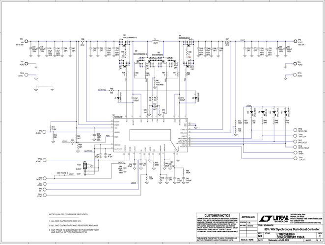
Demonstration circuit 1924A is a high performance buckboost converter featuring the LT8705 that can operate from input voltages above, below or equal to the output voltage. The demo board input range is 36V to 80V. The output is optimized for 48V at 5A, with the output current limit set at 7A. (The circuit will operate with lower input voltage than 36V if load current is reduced).
Applicable Parts
Documentation & Resources
-
DC1924A - Schematic7/11/2014PDF63K
-
DC1924A - Demo Manual7/11/2014PDF514K
-
DC1924A - Design Files9/1/2015ZIP1M




