Overview
Product Details
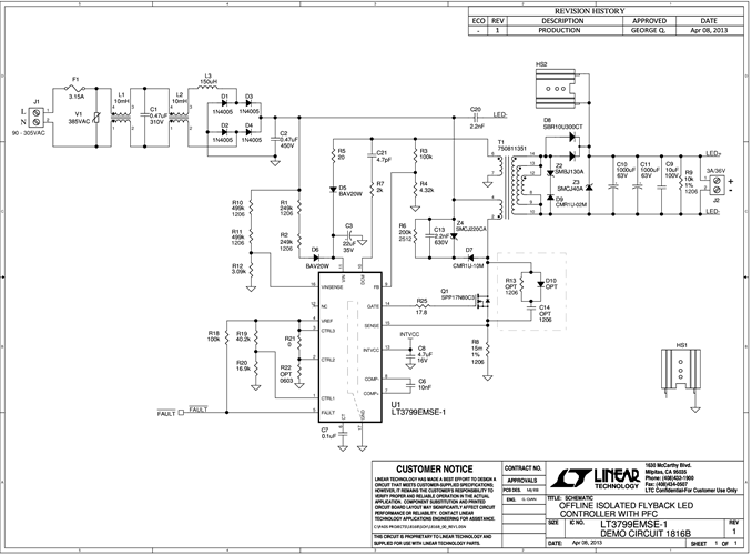
Demonstration circuit 1816B is an off-line isolated flyback LED driver featuring LT3799-1. The demo board provides a single constant current output of 3A over an LED string voltage from 22V to 38V. It is optimized to operate over a wide AC input voltage range (90VAC to 305VAC, 47Hz to 63Hz). LED current typically stays within ±5% over the whole input voltage range. It provides a high power factor (>0.9) enabling a single design to be used worldwide. It is also designed to comply with the IEC 61000-3-2 Class C harmonics standard and the EN55015B conducted EMI standard.
Applicable Parts
Documentation & Resources
-
DC1816B - Schematic1/11/2014PDF67K
-
DC1816B - Demo Manual1/11/2014PDF308K
-
DC1816B - Design Files1/11/2014ZIP1M
