Overview
Product Details
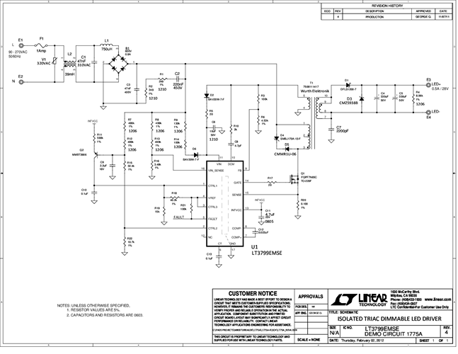
DC1775A: Demo Board for the LT3799 Offline Isolated Flyback LED Controller with Active PFC.
Applicable Parts
Documentation & Resources
-
DC1775A - Schematic2/8/2012PDF68K
-
DC1775A - Demo Manual2/8/2012PDF330K
-
DC1775A - Design Files2/8/2012ZIP1M
