Overview
Product Details
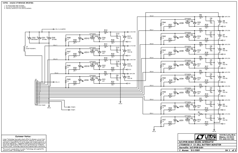
DC1393B: Demo Board for LTC6802-2 Multicell Addressable Battery Stack Monitor
Applicable Parts
Documentation & Resources
-
DC1393B - Schematic1/12/2010PDF120K
-
DC1393B - Demo Manual1/12/2010PDF1M
-
DC1393B - Design Files1/12/2010ZIP906K




